 
						
					Levý a pravý upevňovací prvek dřevěných konstrukcí z elektrolyticky pozinkovaného ocelového plechu o síle 2 mm. Spojky jsou určeny pro upevnění krokví k vaznicím ve střešních konstrukcích, přístřešků, altánů a pergol.
Podrobné info| Vlastnosti | |
| Materiál | ocel, zinek | 
| Šířka | 30 mm | 
| Výška | 170 – 290 mm | 
| Tloušťka | 2,0 mm | 
| Síla vrstvy zinku | 8 µm | 
| Určení | dřevěné konstrukce | 
| Perametre | |
| Pôvod | Vyrobené v PL | 
| Záruka | 2 roky | 
| Značka | Koelner | 
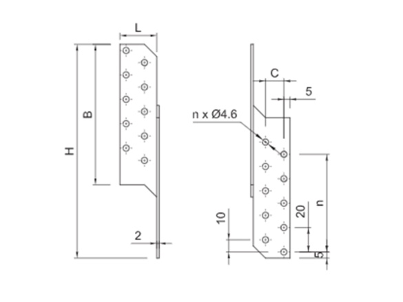
Krokvová spojka je vyrobena z ocelového plechu s elektrogalvanizovaným povlakem zinku pro zvýšení odolnosti proti korozi. Síla vrstvy zinku je minimálně 8 µm. Je primárně určená pro použití na spojování dřevěných překladů střešních konstrukcí nebo vazníků, na dřevěné krovy nebo trámy.
| VybranéD-SP | Vybrané170P/L | Vybrané210P/L | Vybrané250P/L | Vybrané290P/L | |
|---|---|---|---|---|---|
| Šířka | 30 mm | 30 mm | 30 mm | 30 mm | |
| Výška | 170 mm | 210 mm | 250 mm | 290 mm | |
| Tloušťka | 2,0 mm | 2,0 mm | 2,0 mm | 2,0 mm | |
| Rozměr | [B] | 115 mm | 155 mm | 180 mm | 220 mm | 
| Rozměr | [C] | 15 mm | 15 mm | 15 mm | 15 mm | 
| Počet otvorů v řadě | 5 | 7 | 9 | 11 | |
| Počet otvorů ø 4,6 | 2 × 10 | 2 × 14 | 2 × 18 | 2 × 22 | |
| Charakteristická nostnost | 6,7 (21,5) kN | 6,7 (21,5) kN | 6,7 (21,5) kN | 6,7 (21,5) kN | 



Hľadáte príslušenstvo k tovaru vo vašom košíku?
Je vám k dispozícii v tejto ponuke.
Nie, najprv si vytvorte objednávku cez e-shop, len tak zaistíme dostupnosť materiálu pri osobnom vyzdvihnutí.
Samozrejme a radi :)
Založte si Buildex účet, my Vám dáme 4 € na prvú objednávku a aktivujeme ďalšie výhody.
My, spoločnosť Buildex Group s.r.o, IČO 5362431, používame súbory cookies na zaistenie funkčnosti webu a s vaším súhlasom o. i. aj na personalizáciu obsahu našich webových stránok. Kliknutím na tlačidlo „Rozumiem“ súhlasíte s využívaním cookies a predaním údajov o správaní na webe na zobrazenie cielenej reklamy na sociálnych sieťach a reklamných sieťach na ďalších weboch.
Maximálne pohodlné prezeranie na mieru. To vďaka sušienkam dokážeme zariadiť. Košík si bude pamätať váš nákup, bez odhlásenia vám nehrozí otravné zadávanie údajov a zobrazovať sa vám bude iba relevantný obsah. O čo sa s nami podelíte je úplne vo Vašej réžii, všetko bude ale v maximálnom bezpečí.
Nevyhnutné dáta pre správne fungovanie stránky, ktoré musia byť vždy povolené.
Pomáhajú nám pochopiť, čo by vás mohlo zaujímať, na čom naše stránky prezeráte, čo nám na webe nefunguje a podobne.
Umožňujú zobrazovať vám vhodný obsah na základe produktov, článkov a stránok, ktoré ste u nás navštívili.
Vďaka nim uvidíte na reklamných miestach u nás a na iných sieťach to, čo by vás mohlo zaujímať a nie nemiestne, náhodné kampane.
 
									 
									 
									 
						 
								 
								
Diskusia
Pridať otázkuSkryť